
EN
— 產品中心 —
全國服務電話 075528990558 地址:深圳市龍崗區南聯向銀路71號匯川科技園華鵬艾偉大廈A棟
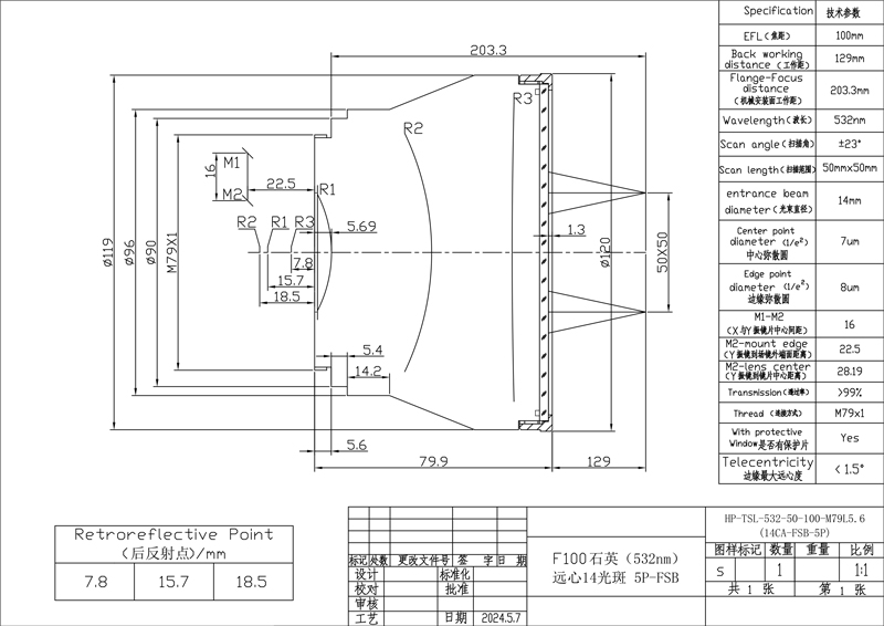
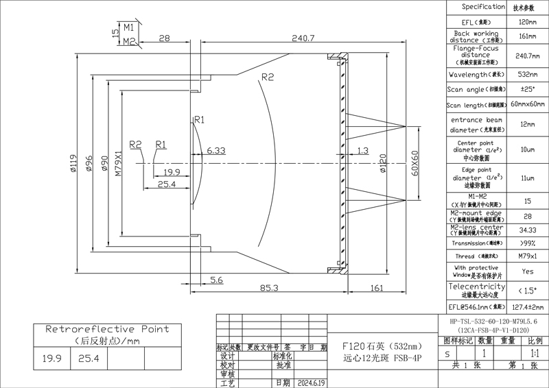
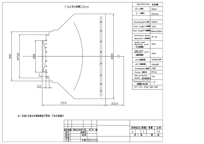
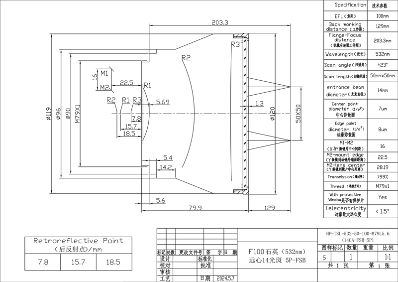
遠心場鏡532nm包含:F160遠心場鏡532nm 100x100WD215、F120遠心場鏡532nm 60x60WD161、F100遠心場鏡532nm 50x50WD129等……
產品詳情



以上只是遠心場鏡532nm簡單介紹,如需要更詳細的遠心場鏡532nm資料信息,請聯系華鵬艾偉對應銷售人員。
上一篇:遠心場鏡1064nm
下一篇:遠心場鏡355nm
相關推薦
華鵬艾偉是一家專業的激光打標機配件、激光焊接機配件、激光切割機配件等激光全套配件綜合解決方案品牌供應商和批發商!
地址:深圳市龍崗區南聯向銀路71號匯川科技園華鵬艾偉大廈A棟 TEL:0755-28990558